建设性优势
一种技术,2 种外壳类型(直插式和角形外壳)
用于容器安装的块状法兰
标准化模块概念带来高度灵活性
40 多家测量和分析仪器生产商为其设备提供 NEUMO BioControl® 连接件
创新的无弹性解决方案(BioControl® CS)
符合 cGMP 标准的设计
无圆顶,几乎无死角
技术优势
标准化的连接允许最大限度的灵活性,以便安装视镜和调整仪器
将介质与弹性体的接触降至最低
无圆顶,例如用于仪器的三通接头或 Ingold 接头
最佳清洁度(CIP / SIP)
可控的弹性体加压
无弹性体回流
经济效益
减少维护成本和停机时间
可减少多个传统接口
从总体拥有成本的角度看,具有很高的潜力
最大限度地降低工艺干扰风险
|
内嵌式外壳 G25 |
内嵌式外壳 G50-G65 |
|
技术数据 |
|
|
材质* |
1.4435 / 316L |
|
表面光洁度(产品接触面积)* |
Ra < 0.8 μm 电抛光 |
|
最大压力 |
PN16 |
|
最高工作温度 |
-10°C / +200°C |
|
铁氧体含量(原材料)* |
< 1% |
|
工艺连接 |
G25、G50 和 G65 |
|
连接* |
轨道焊接端头,符合 DIN11866 A线(DIN)、B线(ISO)和C线 (ASME-BPE) 标准 |
|
认证 |
TÜV 组份测试 |
|
* 可根据要求提供其他材料等级(如 2.4602、2.4605、1.4539、6Mo / UNS N08367、钛等)以及不同的连接方式、表面质量和三角铁氧体值。 |
|
|
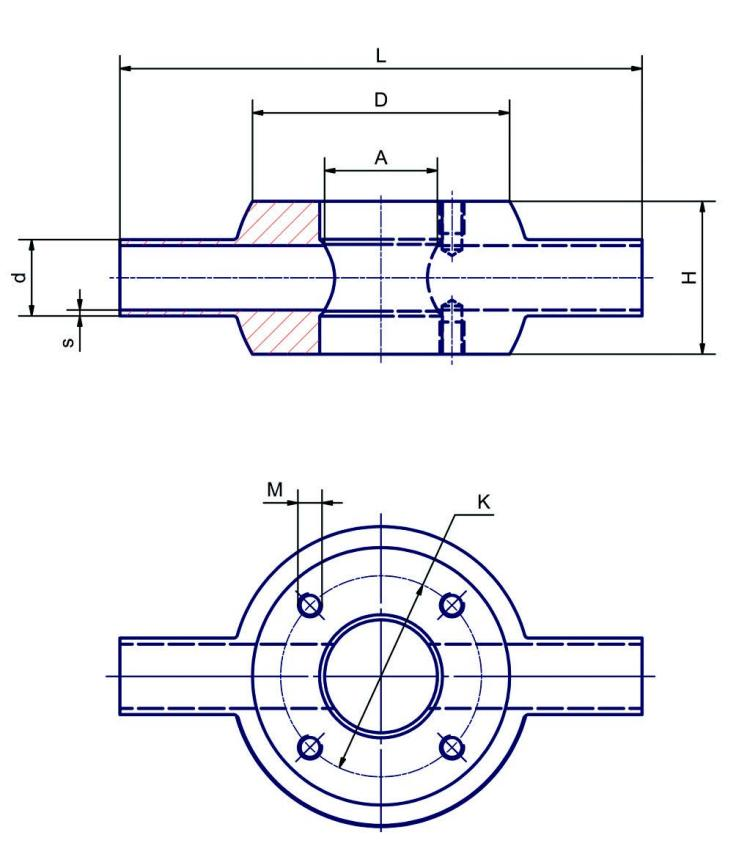
BioControl® 直列式外壳 G25 / G50 / G65,管子尺寸符合 DIN11866 A 系列标准 |
|||||||||
|
工艺连接 |
DN |
d |
s |
A |
D |
L |
H |
K |
M |
|
G25 |
4 |
6 |
1 |
28.1 |
64 |
130 |
26 |
50 |
M6 |
|
G25 |
6 |
8 |
1 |
28.1 |
64 |
130 |
28 |
50 |
M6 |
|
G25 |
8 |
10 |
1 |
28.1 |
64 |
130 |
30 |
50 |
M6 |
|
G25 |
10 |
13 |
1.5 |
28.1 |
64 |
130 |
32 |
50 |
M6 |
|
G25 |
15 |
19 |
1.5 |
28.1 |
64 |
130 |
38 |
50 |
M6 |
|
G25 |
20 |
23 |
1.5 |
28.1 |
64 |
130 |
42 |
50 |
M6 |
|
G50 |
25 |
29 |
1.5 |
47.6 |
90 |
150 |
60 |
70 |
M8 |
|
G50 |
32 |
35 |
1.5 |
47.6 |
90 |
150 |
66 |
70 |
M8 |
|
G50 |
40 |
41 |
1.5 |
47.6 |
90 |
150 |
72 |
70 |
M8 |
|
G50 |
50 |
53 |
1.5 |
47.6 |
90 |
150 |
84 |
70 |
M8 |
|
G50 |
65 |
70 |
2 |
47.6 |
90 |
170 |
100 |
70 |
M8 |
|
G50 |
80 |
85 |
2 |
47.6 |
90 |
170 |
115 |
70 |
M8 |
|
G50 |
100 |
104 |
2 |
47.6 |
90 |
170 |
134 |
70 |
M8 |
|
G65 |
40 |
41 |
1.5 |
65.6 |
120 |
180 |
72 |
95 |
M10 |
|
G65 |
50 |
53 |
1.5 |
65.6 |
120 |
180 |
84 |
95 |
M10 |
|
G65 |
65 |
70 |
2 |
65.6 |
120 |
200 |
100 |
95 |
M10 |
|
G65 |
80 |
85 |
2 |
65.6 |
120 |
200 |
115 |
95 |
M10 |
|
G65 |
100 |
104 |
2 |
65.6 |
120 |
200 |
134 |
95 |
M10 |
|
BioControl® 直列式外壳 G25 / G50 / G65,管子尺寸符合 DIN11866 B 系列标准 |
|||||||||
|
工艺连接 |
DN |
d |
s |
A |
D |
L |
H |
K |
M |
|
G25 |
6 |
10.2 |
1.6 |
28.1 |
64 |
130 |
26 |
50 |
M6 |
|
G25 |
8 |
13.5 |
1.6 |
28.1 |
64 |
130 |
32.3 |
50 |
M6 |
|
G25 |
10 |
17.2 |
1.6 |
28.1 |
64 |
130 |
36 |
50 |
M6 |
|
G25 |
15 |
21.3 |
1.6 |
28.1 |
64 |
130 |
40.1 |
50 |
M6 |
|
G25 |
20 |
26.9 |
1.6 |
28.1 |
64 |
130 |
45.7 |
50 |
M6 |
|
G50 |
25 |
33.7 |
2 |
47.6 |
90 |
150 |
63.7 |
70 |
M8 |
|
G50 |
32 |
42.4 |
2 |
47.6 |
90 |
150 |
72.4 |
70 |
M8 |
|
G50 |
40 |
48.3 |
2 |
47.6 |
90 |
150 |
78.3 |
70 |
M8 |
|
G50 |
50 |
60.3 |
2 |
47.6 |
90 |
150 |
90.3 |
70 |
M8 |
|
G50 |
65 |
76.1 |
2 |
47.6 |
90 |
170 |
106.1 |
70 |
M8 |
|
G50 |
80 |
88.9 |
2.3 |
47.6 |
90 |
170 |
118.3 |
70 |
M8 |
|
G50 |
100 |
114.3 |
2.3 |
47.6 |
90 |
170 |
143.7 |
70 |
M8 |
|
G65 |
40 |
48.3 |
2 |
65.6 |
120 |
180 |
78.3 |
95 |
M10 |
|
G65 |
50 |
60.3 |
2 |
65.6 |
120 |
180 |
90.3 |
95 |
M10 |
|
G65 |
65 |
76.1 |
2 |
65.6 |
120 |
200 |
106.1 |
95 |
M10 |
|
G65 |
80 |
88.9 |
2.3 |
65.6 |
120 |
200 |
118.3 |
95 |
M10 |
|
G65 |
100 |
114.3 |
2.3 |
65.6 |
120 |
200 |
143.7 |
95 |
M10 |
|
BioControl® 直列式外壳 G25 / G50 / G65,管子尺寸符合 DIN11866 C 系列标准 |
|||||||||
|
工艺连接 |
DN |
d |
s |
A |
D |
L |
H |
K |
M |
|
G25 |
1/4" |
6.35 |
0.89 |
28.1 |
64 |
130 |
26.75 |
50 |
M6 |
|
G25 |
3/8" |
9.53 |
0.89 |
28.1 |
64 |
130 |
29.75 |
50 |
M6 |
|
G25 |
1/2" |
12.7 |
1.65 |
28.1 |
64 |
130 |
31.4 |
50 |
M6 |
|
G25 |
3/4" |
19.05 |
1.65 |
28.1 |
64 |
130 |
37.75 |
50 |
M6 |
|
G25 |
1" |
25.4 |
1.65 |
28.1 |
64 |
130 |
44.1 |
50 |
M6 |
|
G50 |
1" |
25.4 |
1.65 |
47.6 |
90 |
150 |
56.1 |
70 |
M8 |
|
G50 |
1 1/2" |
38.1 |
1.65 |
47.6 |
90 |
150 |
68.8 |
70 |
M8 |
|
G50 |
2" |
50.8 |
1.65 |
47.6 |
90 |
150 |
81.5 |
70 |
M8 |
|
G50 |
2 1/2" |
63.5 |
1.65 |
47.6 |
90 |
170 |
94.2 |
70 |
M8 |
|
G50 |
3" |
76.2 |
1.65 |
47.6 |
90 |
170 |
106.9 |
70 |
M8 |
|
G50 |
4" |
101.6 |
2.11 |
47.6 |
90 |
170 |
131.38 |
70 |
M8 |
|
G65 |
1 1/2" |
38.1 |
1.65 |
65.6 |
120 |
180 |
68.8 |
95 |
M10 |
|
G65 |
2" |
50.8 |
1.65 |
65.6 |
120 |
180 |
81.5 |
95 |
M10 |
|
G65 |
2 1/2" |
63.5 |
1.65 |
65.6 |
120 |
200 |
94.2 |
95 |
M10 |
|
G65 |
3" |
76.2 |
1.65 |
65.6 |
120 |
200 |
106.9 |
95 |
M10 |
|
G65 |
4" |
101.6 |
2.11 |
65.6 |
120 |
200 |
131.38 |
95 |
M10 |

