建设性优势
一种技术,2 种外壳类型(直插式和角形外壳)
用于容器安装的块状法兰
标准化模块概念带来高度灵活性
40 多家测量和分析仪器生产商为其设备提供 NEUMO BioControl® 连接件
创新的无弹性解决方案(BioControl® CS)
符合 cGMP 标准的设计
无圆顶,几乎无死角
技术优势
标准化的连接允许最大限度的灵活性,以便安装视镜和调整仪器
将介质与弹性体的接触降至最低
无圆顶,例如用于仪器的三通接头或 Ingold 接头
最佳清洁度(CIP / SIP)
可控的弹性体加压
无弹性体回流
经济效益
减少维护成本和停机时间
可减少多个传统接口
从总体拥有成本的角度看,具有很高的潜力
最大限度地降低工艺干扰风险
|
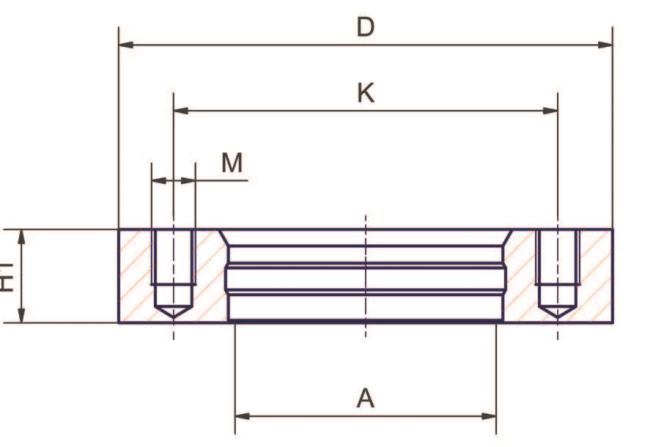
标准块法兰 |
|
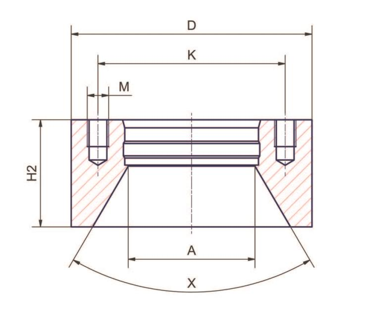
高型块法兰 |
|
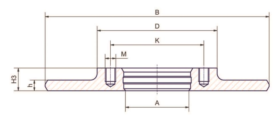
带焊接颈的块法兰 |
|
技术数据 |
|
|
材质* |
1.4435 / 316L |
|
表面光洁度(产品接触面积)* |
Ra < 0.8 μm 电抛光 |
|
最大压力 |
PN16 |
|
最高工作温度 |
-10°C / +200°C |
|
铁氧体含量(原材料)* |
< 1% |
|
工艺连接 |
B25、B50、B65 和 B80 |
|
密封* |
三元乙丙橡胶(FDA + USP VI 级) |
|
标准块法兰 |
管壁厚度< 4mm |
|
高型块法兰 |
管壁厚度> 4mm |
|
带焊接颈的块法兰 |
管壁厚度可达 12 mm |
|
认证 |
TÜV 组份测试 |
|
* 可根据要求提供其他材料等级(如 2.4602、2.4605、1.4539、6Mo / UNS N08367、钛等)以及不同的设计(如定制高度、车削半径等)、表面质量和 delta 铁氧体值。 |
|
|
Size |
A |
D |
H1 |
H2 |
B |
H3 |
h |
K |
M |
X |
|
B25 |
28.1 |
64 |
11 |
25 |
144 |
11 |
8 |
50 |
4xM6 |
90° |
|
B50 |
47.6 |
90 |
17 |
40 |
170 |
17 |
10 |
70 |
4xM8 |
60° |
|
B65 |
65.6 |
120 |
17 |
50 |
200 |
17 |
10 |
95 |
4xM10 |
60° |
|
B80 |
85.1 |
140 |
25 |
65 |
220 |
25 |
10 |
115 |
4xM10 |
60° |
应用示例



